



FONCTION :
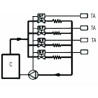
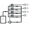
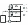
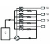
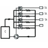
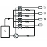
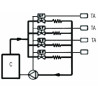
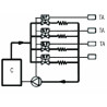
La vanne 3 voies SF peut être utilisée en normalement ouverte ou normalement fermée avec retour bypassé à la chaudière
Assure la régulation de l'eau d'une zone dans un bâtiment qui en comporte plusieurs (ex. : atelier et bureau).
Fonctionne uniquement dans un circuit fermé.
Fermeture automatique par manque de courant.
Comporte une commande manuelle d'ouverture.
La fermeture ou l'ouverture est assurée par un micro-moteur qui peut être commandé par thermostat ou régulation tout ou rien.
Utilisation dans les climatiseurs, chauffage solaire pour réaliser une priorité ECS.
Il est possible de lui adjoindre un contact de fin de course
PARTICULARITÉ :
Dimensions :
Information relative à la sécurité :
L'installation et l'utilisation d'accessoires de régulation de système de chauffage doivent être effectuées conformément aux instructions du fabricant et par une personne qualifiée. Une mauvaise installation ou un réglage incorrect peut entraîner des dysfonctionnements, une surconsommation énergétique, ou des risques pour la sécurité. Ne laissez pas cet appareil à la portée des enfants et veillez à respecter les normes de sécurité en vigueur.
Compte tenu de la nature de ce produit, il est recommandé de le faire installer par un professionnel.
Livraison gratuite dès 60€ en France
Livraison rapide 24/48h
Paiement en 3 fois sans frais (France)
30 jours pour retourner un produit